h14 June 2011

More work on the hubs

One of the signature design details on Sylva-dervied kit cars is their use of cut-down Escort and Capri McPherson struts as uprights, rather than the more conventional route of using Cortina Mk3/4/5 uprights. The front suspension on the Sylva cars is, of course, a double wishbone set-up, and therefore requires a relatively short upright with provision for mounting a ball-joint or rod-end at both ends. This is done by chopping down the Escort or Capri strut and welding in place a cap with either a tapered hole designed to take a Chevette ball joint, or a threaded hole designed to take a Metro ball joint.

Most Furies use the standard Mk2 struts. There are essentially two different types of Escort front struts. There's the standard type, fitted on all Mk2s except the RS2000. The RS2000 used the same struts as the standard (non-3.1RS) Capris, which has a rather chunkier stub axle. Mk1 struts can also be used. They fall into two categories again - standard and the chunkier type used on RS models and the Mexico cars. Standard Mk1 struts/hubs use QWB113C wheel bearings (I'm using Quinton Hazell part numbers as that's what I generally use), except the Capri-spec Mexico and RS2000 struts which use the larger QWB114C bearings. Mk2s use QWB115C bearings, except for the RS2000, which again uses the QWB114C bearings. I'm trying to find out the various dimensions of these three bearing sets, without success so far - I've found an internet site which claims to have dimensions for each, but the dimensions they've got are demonstrably wrong for the QWC115C bearings (which I've got) so I'm reluctant to give any credence to them.

The only real reason to change the front hubs from the Ford units which the car's using at the moment is weight. The iron hubs, now I've trued them by giving the mating faces a quick skim, work perfectly well. But they're a bit heavy. In order to establish out whether or not it's worth spending a lot of time and effort replacing them, I thought it would be a good idea to weigh the Ford hubs and the two types of HiSpec Motorsport hubs I've got - the gold ones which are Tim's, and my more recent silver ones.

With my garage now boasting some cheap'n'cheerful 5kg digital scales from Tescos, the weighing process could begin. The Ford hubs weigh 2.177kg each, the Silver hubs weigh just over 1kg less at 1.175kg, while the gold hubs are, as expected, slightly lighter still at 958g each. Swapping to the gold hubs would therefore amount to a weight saving of just under 2.5kg - not massive, but a worthwhile difference particularly since the hubs are of course part of the unsprung mass of the car. Given that both the silver and gold hubs need modifying before they'll fit properly, this put the gold hubs in the lead.

However, this still left the issue of the fact that the silver and gold hubs simply aren't the same size as the Ford hubs in certain critical respects. In order to decide which to use, I therefore started measuring various distances on the hubs. The results are in the table below. Some of the measurements for the silver hubs are missing - this is because I stopped measuring them quite early on in the process because it quickly became apparent they were seriously and unfixably defective in one respect. As I mentioned last month, one of the problems with the gold hubs is that the central spigot on the face of the hub which the wheel mounts onto is too big. The central hole in Ford wheels is 63.4mm, and the central spigot on the Ford hubs is, as you'd expect, very slightly smaller than this at just over 63.3mm. However, the gold HiSpec hubs have a central spigot with a diameter of 63.5mm, so it's impossible (or at least rather hard) to actually fit a wheel onto them. That's not the end of the world - I've got a lathe and the mandrels I used to skim the Ford hubs, so I can always take 1mm off the central spigots on the gold hubs.

The silver hubs do at least have a central spigot which means you can fit a Ford-spec wheel onto them. However, the central spigot on the silver hubs is 63mm exactly - 0.4mm less than it should be. Now that may not seem a lot, but at 130mph at the end of the Bentley straight, those wheels are turning round pretty quickly, and even having them off-centre by 0.2mm is not really what I'd want. Further, making a shim only 0.2mm thick would be pretty much impossible, so I decided fairly early on in the process that I'd concentrate on trying to see if I can get the gold hubs to fit.

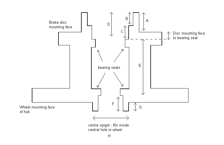
As much as for my benefit as anything, here's a sketch of the cross-section of the hubs, together with a table showing the various measurements.
 


Letter Description Ford Gold Silver
         
A Brake disc mounting face to inside edge of hub 18.76mm 19.9mm -
B Inside edge of hub to seal mounting face 9.43mm 13.45mm -
C Seal mounting face to inner bearing seat 14.9mm 18.26mm -
D Inner edge of hub to inner bearing seat 24.33mm 31.71mm -
E Bearing seat to bearing seat 36.7mm 35.46mm -
F Outer edge of hub to outer bearing seat 19.3mm 19.35mm -
G Outer edge of hub to wheel mounting face 11.75mm 14mm -
H Diameter of centre spigot 63.33mm 63.5mm 63.02mm

I did quickly measure the equivalent dimensions on the silver hubs. Rest assured that not a single one of them was the same as either the Ford hubs or the other HiSpec Motorsport hubs. Evidently HiSpec's CNC machines have random number generators built in...

The reason why the gold hubs don't fit as standard (ignoring the oversized central spigot for the moment) is due to the measurements of A and B. The position of the hubs on the uprights is determined by the shoulder on the stub axle, up against which the inner bearing fits. This in turn determines where the inner bearing seat on the hub, and therefore the rest of the hub, sits relative to the upright. On the Ford hubs, the distance from the inner bearing seat to the inner face of the hub (B+C) is 24.33mm. On the gold HiSpec hubs it's 31.71mm - quite a difference. The difference is enough that the inner face of the HiSpec hubs clashes with the body of the upright, meaning the inner bearing can never be seated properly on the stub axle - essentially, when the hub turns it'll grind itself against the upright.

The other problem is the difference in the distance from the brake mounting face to the inner bearing seat (B+C - A). On the Ford hubs it's 5.57mm. On the HiSpec Motorsport hubs it's 11.81mm - nearly double what it should be. The net effect of this is that on the HiSpec hubs the brake disc is too far inboard by roughly 6mm.

There are, therefore, two options to make the gold hubs fit. First is to turn down the inner face of the hub so it no longer clashes with the upright, add spacers to the brake caliper to move it 6mm further inboard (to match the brake disc) and add a 6mm spacer between the hub and wheel. This will leave the wheel in the correct place, but the brake disc and caliper 6mm further inboard than Ford intended. The second option is to add a spacer inside the hub, pushing the inner bearings out by roughly 6mm. This means the hub will be roughly where it ought to be, but because measurement 'E' will be larger, and the gap between the bearings will be greater, it means the outer bearing race will no longer be supported as fully by the stub axle - some of it will overlap with the threaded part of the stub axle. Neither option is ideal, but in the end I decided to go for option 2 - 6mm wheel spacers are something I'd rather not have on the car. In fact, wheel spacers are something I'd rather not have on the car.

This left how to make the spacer required. I decided to make it 4.5mm wide - that'd put the disc only 1mm further inboard than it should be, and would leave the outer bearing only 3.5mm (roughly) further outboard. A compromise, but what seemed like a reasonable one. So, I needed a spacer 50.4mm in diameter, 4.5mm deep, and with a wall thickness of about 2mm - it had to be reasonably thin so that it didn't interfere with the bearing race. While knocking out the old bearings on the Ford hub, I had a moment of inspiration - why not use the bearing seats from the old bearings? After all, they are by definition the correct diameter, and although they were too deep (at over 10mm) to be used unviolated, there was always a chance I could turn them down to the correct width. There were two potential problems - could I mount them in the lathe accurately enough, and would I be able to machine hardened steel bearing races?
 

 

The answer to these potential problems was yes and just respectively. The inside bore of the bearing race was just large enough to go over and around the jaws of the 3-jaw chuck, and with some indexable carbide tooling I could just (but only just) machine the hardened steel of the ball race. It did take lots of cutting fluid, and even with that quite a lot of the swarf came off glowing bright orange. However, with a bit of patience I was able to turn the thing on the left into the thing on the right.

With both of the old races turned down, I could install both them and the new bearings into the hubs. That then left the external machining on the hubs. There were two jobs to do here - the first was to turn down the central spigot so it'd fit inside the wheel. The second was not really a HiSpec fault but more a Rally Design fault. The Rally Design discs for the 265mm Powerlite kit are originally discs for a BMW 316i. They've obviously designed for something else, despite what some vociferous but characteristically wrong individuals on Locostbuilders think, as they're originally drilled for a 5-stud hub. They also have the chamfer on the inside edge of the brake disc mounting hole on the wrong side, as they're designed to fit on the outside face of the hub, between the hub and the wheel, rather than on the back face of the hub as in this case. This means the chamfer is on the wrong side, and not on the same side as the mounting face on the hub. Since the mounting face on the hub has a slight radius, this means the brake disc doesn't sit square. So a bit more machining was necessary, to machine away the radius between the brake disc mounting face and the rest of the hub. Again, relatively easy to do since I have the mandrels I made up previously to true up the Ford hubs.

After fitting some wheel studs (plenty of stud-lock as the holes for the studs are rather larger than they should be - good old HiSpec), and the brake disc, the hubs could be mounted on the uprights. The silver band visible on the outside of the hub is where I've had to machine the central spigot and the anodizing's gone.

I've measured the run out at the edge of the brake disc and it's just over 0.1mm. Good enough for me, even if 0.00mm would be better.

I've only fitted one hub at present, as on the nearside I want to try skimming the mounting points for the calipers on the uprights again. I've
done it previously, but the caliper still isn't square to the disc - I think on the nearside I forgot to tighten the wheel bearing up really tight before putting it on the milling machine, so there was still some give in the whole assembly. Once that's done, however, I can take off the old Ford hub, install the new hub and that's the front hubs done. For now...
 

Back to the back

 

I've also got the diff back from Competition Transmission Services. The Quaife ATB unit was reportedly 'impeccable' internally, so that was good news. Since the ATB had survived, CTS rebuilt the diff with the new CWP from Rally Design, the old ATB unit and a new alloy diff nose. Total bill for CTS's work, including the new diff nose, together with the CWP, was just over a grand. Oh well, at least that includes 5kg of weight saving.

The alloy diff nose has a thicker mounting face than the old iron diff carrier, so it's necessary to replace the studs on the mounting face. These are like little wheel studs, with splines on one end. It's a reasonably simple job tapping them out and winding the new ones in with a spare nut. The gold ones are the new ones - the black one is one of the shorter old ones for comparison.

Before installing the new studs, I'd rinsed the axle casing out as well as I could to get rid of any little bits of shrapnel. I stuck a pressure washer with detergent in it down there to try and shift the gunk, and then used a couple of cans of carb cleaner to get rid of any residue. Because the diff casing has baffles in it (visible in the photo above) you can't simply reach down the axle tubes and clean it out. However, I'm satisfied it's as clean as I can realistically get it...

With the studs in place it was simply a matter of dropping the diff into place and torquing up the nuts to the correct setting. I had a spare diff gasket from the last time I had to remove the diff (when I bent the axle casing) and I've supplemented it on this occasion with a thin smear of Loctite liquid gasket just to try and make sure that everything's oil-tight. Next job on the axle is, of course, to get it in place. But before I do that there's one job I'd like to do which will be assisted by not having the rear axle in the way...  

Harness mounts

 

As SWMBO is regularly heard to say, 'Safety is our Number One Priority'. With that maxim in mind, I'd like to race with a HANS device. However, I can't, for two reasons. Firstly, I don't own one yet. Secondly, and less easily fixable, the harness mounts on the FuryRacer are in the wrong places for me to do so. Most significantly, the shoulder strap mounts on the rollcage are about 2" too far to the right. The ones on the chassis are about 3" too far to the left. Once again, I'm dealing with the cock-ups left by the idiot who welded the chassis and rollcage together.

However, it's not just the shoulder strap mounts. Because I have such a reclined seating position I don't use the mounting points intended to be used for the lap straps, but use the mounting points intended to be used for the crotch straps for both the lap straps and the crotch straps. This in turn means that the crotch straps have to be really long - much longer than standard. This means that I can't use a Schroth harness (or any other make of harness) with the 2"/3" shoulder straps specifically intended to be used with a HANS device. So I need to add some new mounting points for the crotch strap, and make them much further forwards.

The trouble is that access is very limited. In the case of the mounting point on the right hand side of the cockpit, it's necessary to remove the sidepod, and then drill out the outer ali panel - hence the car's rather denuded look in the photo on the left. On the left hand side of the cockpit access is slightly simpler in that I haven't double-skinned that part of the chassis, but since the mounting point needs to be added inside the transmission tunnel access is pretty tight. It's easier to gain access with the propshaft disconnected and tweaked out of the way, hence my desire to do this job before reinstalling the rear axle.

For the shoulder straps I've made up this bracket to be welded onto the rollcage. It's made from 4mm plate steel, and the threaded inserts I made on the lathe from a bit of spare 19mm steel bar. I haven't welded it in place yet - this is a measure 10 times and weld once, and I've only measured 8 times so far...  

 

For the outside mount, I've welded another threaded bit of steel bar between the bottom chassis rail and the diagonal, and then added a little strip of 4mm steel to increase the weld area and to add a little bit more strength. I don't have any black POR15 at the moment, hence the grey paint. I'm quite glad I took the outer panel off, as it turns out - the powder-coat had all flaked off the bottom chassis rail and it was quite rusty. Turns out that the moron who powder-coated the chassis was about as competent as the one who welded it.

So, that just leaves welding the shoulder strap mount into place, welding the new inner crotch strap mount, and splashing a bit of black POR15 around. Then I can put the rear axle in place.

24 June 2011

Progress of a sort

For progress has indeed been made. The rear axle is back where it ought to be, with all the suspension linkages connected. Of course, the rear brakes still need to be installed along with the halfshafts, the propshaft connected and the bolts lockwired, and the whole thing tested, but the axle casing is at least back where it belongs.

And my 6 little pots of POR15 have arrived in the post, so I've been able to add a topcoat of black to the chassis where I've removed the ali side panel.
 

 

All of the new harness mounting points are now welded into place and painted. As ever, the paint is POR15, and despite the misleading impression given by the flash and the camera, it actually matches the powder-coating on the rollcage reasonably well. Of course it's difficult to test harness mounting points, and their ultimate strength, in any way which isn't non-destructive. Needless to say, there's plenty of weld, plenty of penetration, and quite a bit of steel involved...

With the rear axle casing back where it should be, the next step logically was to install the halfshafts. I've treated myself to a pair of Tran-X Group 1 halfshafts. There are various advantages to these shafts over the standard shafts, not least of which is that I can guarantee that they're straight. They're also much stronger, and bearing replacement is much easier due to the fact that they have separate aluminium hubs [addendum: actually they're not aluminium, as it turns out - see next page for details] which bolt on from the outboard end. I am a bit concerned that the new shafts, which are noticeably chunkier than the old ones, will mean that despite the ali hubs the new set-up will be heavier than the old one. I'll have to get the scales out to compare and contrast, but I have plans to lighten the Tran-X shafts anyway...

Tran-X sell direct to the public from their website, but oddly enough it was considerably cheaper to buy the shafts and hubs, together with the special nut and washer to bolt them together, from Rally Design rather than directly from Tran-X. Makes life easier for me, as I was putting a Rally Design order in anyway.

The picture on the right is of one of the aluminium hubs. They're internally splined to fit on the end of the halfshafts, but before this happens they obviously need to have wheel studs fitted. As you can see, I've fitted two of them. The studs are standard Rally Design +1/2" studs, and they're a rather tight fit. Fitting these two involved machining up a steel spacer to fit over the wheel studs, putting the whole thing in the vice, and then swinging on the vice handle with a rather large length of ali tube to press the wheel studs into place.
 

 

Unfortunately, the gargantuan forces involved proved rather too much for my much-abused vice. Just as I was finishing pressing in the second of the eight wheel studs, there was a loud crack. You can probably work out from the photo what caused the noise in question.

So, I've decided it's time to buy a press and, more specifically, a 10 ton floor-standing press. It's something I've been wanting to get for a while now, but I've put off doing so on the basis that I haven't anywhere to keep it. Well, I think I've found a space. And it's VAT-free day at Machine Mart on Saturday. And I've got to go there to buy a new vice anyway. I'm thinking it would be rude not to, really...